今日も、電子部品等を買いに、秋葉原まで出掛けて来ました。
何時も通り、秋月電子や千石電商・マルツパーツ館などの部品屋さんや、ポポンデッタやぽち・GMストアー等の物色をしていましたが、先日Nuckyさんがチラッと言っていた、お店に行ってみました。

しかし、クハは大分前に売り切れてしまったとの事で、とぼとぼと秋葉原まで戻ります。
いつも、帰りは上野まで歩いて行きますが、今日は初めてaitendoに寄りました。

以前探した時には、ちょうど移転時期だったと思いますので、時間の都合もあってよく探しませんでした。
店内では、FTDIのUSBシリアル変換基板が半額処分価格だったりしたので、幾つか購入して来ました。
しばし物色した中で、今日一番のお宝はこれ。(思わず声が!)

新製品の、12接点のスライドスイッチです。(単体はこちら)
これが、長年?の懸案事項の解決の糸口になりそうです。
何をそんなに悩んで居たのかと申しますと、DCCコマンドステーションにスライドボリュームを使った時の「ノッチ表現(クリック感)」をどうすべきか?という事です。
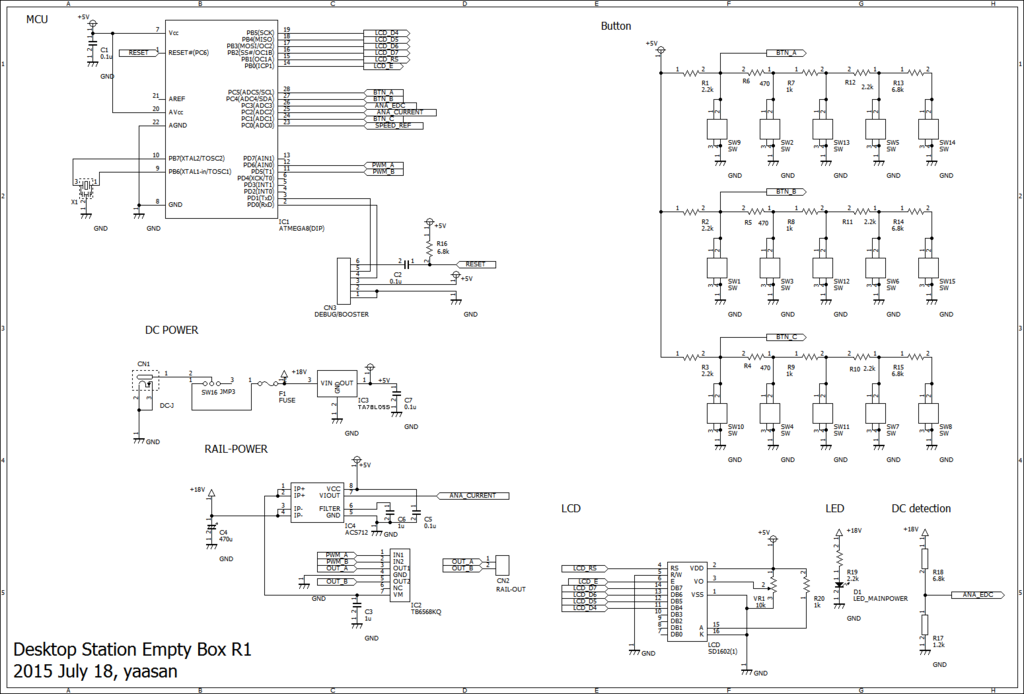
家に帰って、再度ただの箱の配線図を眺めます。

またもや「Buttonのグループの」スイッチ周りに注目ですが、全てのスイッチがGNDに繋がっています。そこで、スライドスイッチのコモンをGNDに接続し、後はスイッチ毎に「NC、ENT、0、1、2、3、4、5、6、7、8、9」と接続します。
スライドスイッチは、「Loc control」モードにするまでは、一番下側(NC)にしておきます。
,(アドレスは適当な状態で撮影してしまいました。残念!)
ポジションを一つ上げると、「ENT」でディレクションが切り替わります。

さらにポジションを上げて行くと、0、1から

9までの速度で走行させる事が出来ます。

スライド操作については、しっかりとしたクリックで、結構良いと思います。
動画は下のリンクでどうぞ。
http://f.hatena.ne.jp/har_amc/20170206000318
前は、MP4の動画を貼り付け出来たのですが、はてなブログでは出来なくなったみたいです。( YouTubeにアップロードすれば、簡単に出来そうです。)
今回は、12接点のスライドスイッチを、上手い事ただの箱の「Loc control」に割り当て出来ましたが、ワンハンドルマスコンに適用する場合には、実物のポジションは13程有るみたいなので、少々足りませんね。もう少し接点の多いスライドスイッチが有ると良いのですが。